Ürün açıklaması :
Bülten 1305 sürücü parametre verileri isteğe bağlı bir Bülten 1203 İletişim Modülü kullanılarak PLC'ler, SLC'ler veya diğer mantık denetleyicileri kullanılarak programlanabilir ve görüntülenebilir. Sürücü ve kontrolör arasında aktarılabilecek bilgi miktarı, üzerindeki DIP anahtarı ayarlarıyla belirlenir.
İletişim Modülü. Tablo B.1, Bülten 1203-GD1 (Uzak G / Ç) iletişim modülleri için dip anahtarı ayarlarını gösterir. Diğer iletişim modülleri için dip anahtarı ayarları benzer olacaktır. başvurmak
Ayrıntılar için ilgili iletişim modülü kullanım kılavuzuna başvurun.
FRN1.01 ve FRN1.02 revizyonları Bülten 1203 İletişim Modülleri ile uyumlu değildir. Bağlanırsa, bir hata mesajı gösterilir. Modülün önündeki kırmızı hata durumu ve sarı SCANport durum LED'leri aynı anda yanıp söner.
E-posta: sales@mooreplc.com
QQ: 2851195450
Skype: miyazheng520
Cep: 86-18020776792 (uygulama nedir)
İlgili Ürün Tavsiyesi:
| 6186M-15PT | 1785-L20E | 1746-IV16 |
| 80022-153-03-01 | 1785-L40B | 1746-IV32 |
| 80026-518-01-R | 1785-L40C | 1746-N2 |
| 80190-378-51-09 | 1785-L40C15 | 1746-NI04I |
| 80190-380-01-R | 1785-L40E | 1746-NIO4V |
| 80190-380-02-R | 1785-L60B | 1746-NO4I |
| 80190-520-01-R | 1785-L60L | 1746-NO4V |
| 80190-560-01-R | 1785-L80B | 1746-NR4 |
| 80190-600-01-R | 1785-L80C | 1746-NT4 |
| 80190-640-03-R | 1785-L80C15 | 1746-OA16 |
| 803624-093A / 0-63000-100 | 1785-LT3 | 1746-OAP12 |
| 81000-199-51-R | 1785-LTp | 1746-OB16E |
| 845H-SJDZ24FWY2C | 1785-ME16 | 1746-OB8 |
| 917-0042 | 1785-ME32 | 1746-OBP16 |
| 917-0050 | 1785-PFB | 1746-OG16 |
| A26491-A D31705-1 | 1785-V40L | 1746-OV32 |
| D31705-1 A26491-A | 1785-V40V | 1746-OV8 |
| DSQC697 3HAC037084-001 | 1785-V80B | 1746-OW4 |
| 'H-4050-P-H00AA | 1786-BNC | 1746-OX8 |
| IC697BEM711 | 1786-RPA | 1746-P1 |
| IC697PCM711 | 1786-RPFM | 1746-P2 |
| MPL-B310P-MJ72AA | 1786-RPFRL | 1746SC-IA8I |
| MPL-B310P-MJ74AA | 1786-RPFRXL | 1746SC-IN04VI |
| MVME 162-262 MVME162-262 | 1788-CN2FF | 1746SC-INI4I |
| 1746-FIO4V | 1788-CNC | 1746SC-NO8I |
| 1746-HS | 1771-OW16 | 1756-ENET |
Ürünün karakter:
El Kitabı, Bülten 1305 Ayarlanabilir Frekans AC Sürücüsünün (burada “sürücü” olarak adlandırılır) genel bir açıklamasını verir ve anahtar sürücü seçeneklerinin bir listesini sağlar. Ayrıca, bu bölümde sürücünün alınması ve kullanılması hakkında bilgi verilmektedir. MANUEL HEDEFLER Bu kılavuzun amacı aşağıdakileri sağlamaktır:
Kullanıcı, Bülten 1305 sürücüsünü kurmak, programlamak, başlatmak ve bakımını yapmak için gerekli bilgileri içerir. Başarılı kurulum ve işletimi sağlamak için, sunulan malzeme iyice okunmalı ve
devam etmeden önce anlaşılır. Özellikle dikkat edilmesi gereken husus DİKKAT ve Önemli olmaktır.
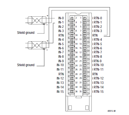
içinde yer alan ifadeler. Bölüm 2, sürücünün nasıl monte edileceği ve kablolarının nasıl bağlanacağı hakkında talimatlar sunar. Ayrıca sürücünün bir İnsan Arayüz Modülü olmadan nasıl çalıştırılacağını açıklar. Motor Kablo Uzunluğunu Okuyun
bölüm 2-13 - 2-16 ve kontak kapatma Kontrol Terminal Bloğuna bilgi girer
2-19 - 2-21. sayfalardaki açıklamalar. Bölüm 3, isteğe bağlı İnsan Arabirim Modülündeki ekran ve kontrol paneli tuşlarını tanımlar. Kullanıcının çeşitli tuş vuruşlarında yol göstermesi için bir akış şeması sağlanmıştır
menü seviyeleri.

1771-P4 Güç Kaynağı Modülü AB
1771-P4R Güç Kaynağı AB
1771-P4S Güç Kaynağı Modülü AB
1771-P4S1 Güç Kaynağı AB
1771-P5 Güç Kaynağı AB
1771-P5E Güç Kaynağı AB
1771-P6R Güç Kaynağı AB
1771-P6S Güç Kaynağı AB
1771-P6S1 Güç Kaynağı AB
1771-P7 Güç Kaynağı AB
1771-PA Güç Kaynağı Modülü AB
1771-PS7 Güç Kaynağı Modülü AB
1771-PS7C Güç Kaynağı Takma. 120/220 AC AB
1771-QB Doğrusal Konumlandırma Modülü AB
1771-RTP4 TİP UMK-SE 11,25-1 902-RTP Uzaktan Sonlandırma Paneli AB 1
1771-SDN / B 1771-SDN Devicenet Tarayıcı Modülü AB
1771-SIM Simülatör Modülü AB
1771-SN Sub I / O Tarayıcı Modülü AB
1771-VHSC Çok Yüksek Hızlı Sayıcı Modülü AB
1771-WA Saha Kablo Kolu AB
1771-WB Saha Kablo Kolu, 12 Terminal AB
1771-WC Saha Kablolama Kolu AB
1771-WD Saha Kablolama Kolu, 12 Terminal AB
1771-WH Saha Kablo Kolu, 16 I / O kanalı (21 terminal) AB
1771-WN Saha Kablo Kolu 32 Terminali AB
1772-CS İşlemci / Tarayıcı Bağlantı Kablosu AB
1772-LH İşlemci Arabirim Modülü AB
1772-LN2 CPU Modülü AB
1772-LP2 PLC-2/20 PLC-2/20 İşlemci Ünitesi AB
1772-LP3 PLC-2/30 PLC-2/30 İşlemci Ünitesi AB
1772-LS PLC-2/05 PLC-2/05 İşlemci AB
1772-LW PLC 2/17 MINI PLC 2/17 İşlemci AB
1772-LWP D PLC2 DNGL SL 6K Proc AB
1772-LX / C PLC 2/16 Mini PLC 2/16 İşlemci AB
1772-LX / D PLC 2/16 Mini PLC 2/16 İşlemci AB
LAMBDA LRS-54M-12 DÜZENLİ GÜÇ KAYNAĞI
SIEMENS SIMATIC S5-100U GERİLİM SEÇİCİ 6ES5931-8MD11
LAMBDA Electronics FE050048-NA Güç Kaynağı AMAT 1140-01269 500W
LAMBDA LFQ-30-1 GÜÇ KAYNAĞI
SAFW 400 57413077 ED SALONU ETKİSİ DÖNÜŞTÜRÜCÜ 209-1021-62
MERMER GÜÇ SİSTEMLERİ AC DAĞITIM ÜNİTESİ MPD 208A-127 MPD208A
VICOR FLATPAC GÜÇ KAYNAĞI 95V VI-NUB-EM
LAMBDA LRS-50-15 LRS5015 GÜÇ KAYNAĞI
LAMBDA LRS 52M-5 GÜÇ KAYNAĞI
BOC EDWARDS C416-24-000 VAKUM VANA 24V 1.25A 7barg
UYGULAMALI MALZEME 0020-16859-002 0021-78097 RL SMC E / P REGÜLATÖRÜ ITV2011-31N3N4-
YASKAWA VS MINI V7 1.5W CIMR-V7AA20P1 GÜÇ KAYNAĞI
CONDOR GPC140-24 24VDC, 5.8A, 140w GÜÇ KAYNAĞI
UYGULAMALI MALZEMELER AMAT 3X2H XR80 YÜKSEK GERİLİM MODÜLÜ 9090-00785ITL
Coutant Lambda MML400 4B3NA2A-1297A Omega Güç Kaynağı
MKS Instruments 852B61PCA2GC Basınç Dönüştürücü 60 PSIA
Ürünün kullanımı:
1. inşaat makineleri,
2. alüminyum eritme makineleri,
3. soğutma endüstrisi.
1. entegre kontrol, güç, güvenlik sağlar,
ölçeklenebilir bir sistemde tam tesis kontrolü için bilgi ve çözümler,
2. yeni ve orijinal
3.1 yıl garanti
Bizim avantajlarımız:
1. 1-4 saat içinde müşteri hizmetleri. Herhangi bir sorunuz varsa, lütfen satışlarımızla iletişime geçin.
2.2000+ tedarikçi bizimle, size ulaşması zor olan bileşenleri almanıza yardımcı olabiliriz.
3Risk içermeyen garanti, 60 gün iade. Mağazamızdan satın aldığınız ürün mükemmel kalitede değilse, değiştirme veya geri ödeme için bunları bize iade edin.
1. Q: P / N son Vardır?
C: Evet. Tüm P / N en son ve tarih kodları 2016 veya 2017'de.
2. Q: Moore teknoloji desteği sağlayabilir?
A: biz 12 yıldan fazla bu alanda. Herhangi bir sorun varsa, lütfen bizimle iletişime geçin, sorunu çözmenize yardımcı olmak için mühendisimizden öneri vereceğiz.
3. Q: Moore stokta mal tutar veya sadece ticaret?
A: Biz mallar için büyük depo var. Depoda çok mal tutmak, böylece hızlı teslimat söz verebilirim.
Aşağıda sizin Sorgulama ayrıntılar, tıklayın "göndermek" şimdi!